• +86 028-62568857/18108007997
  • 18328579337@163.com
产品服务类别
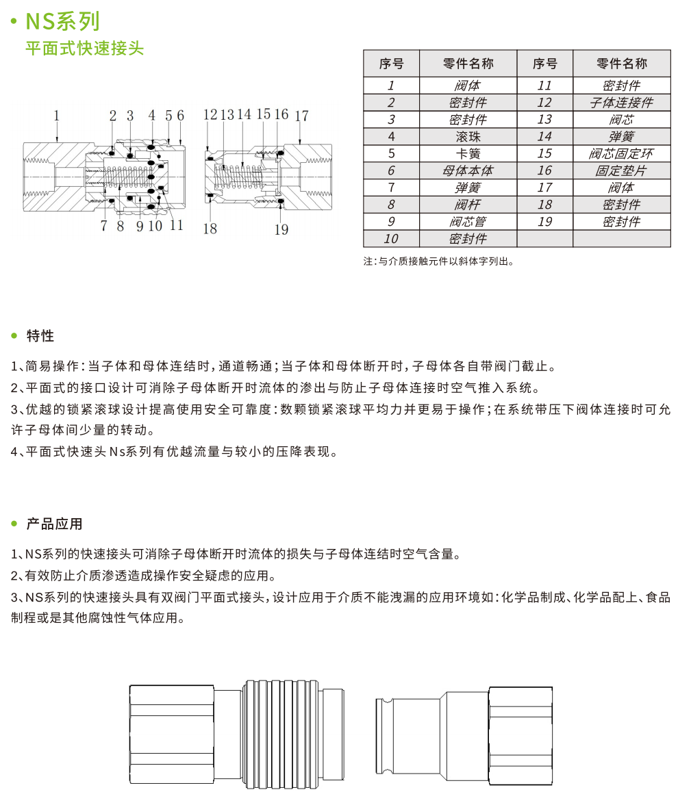
NS系列
首页 - 产品展示 - 快速接头

100.png101.png104.png

版权信息: © 2026 四川省欧美利科技有限公司 版权所有  备案号:蜀ICP备2025176999号   技术支持


语言
你可以选择您所在区域语言: